- SEA506-2 AC/DC24V阀门驱动器 电动调节阀 5000N
详细信息
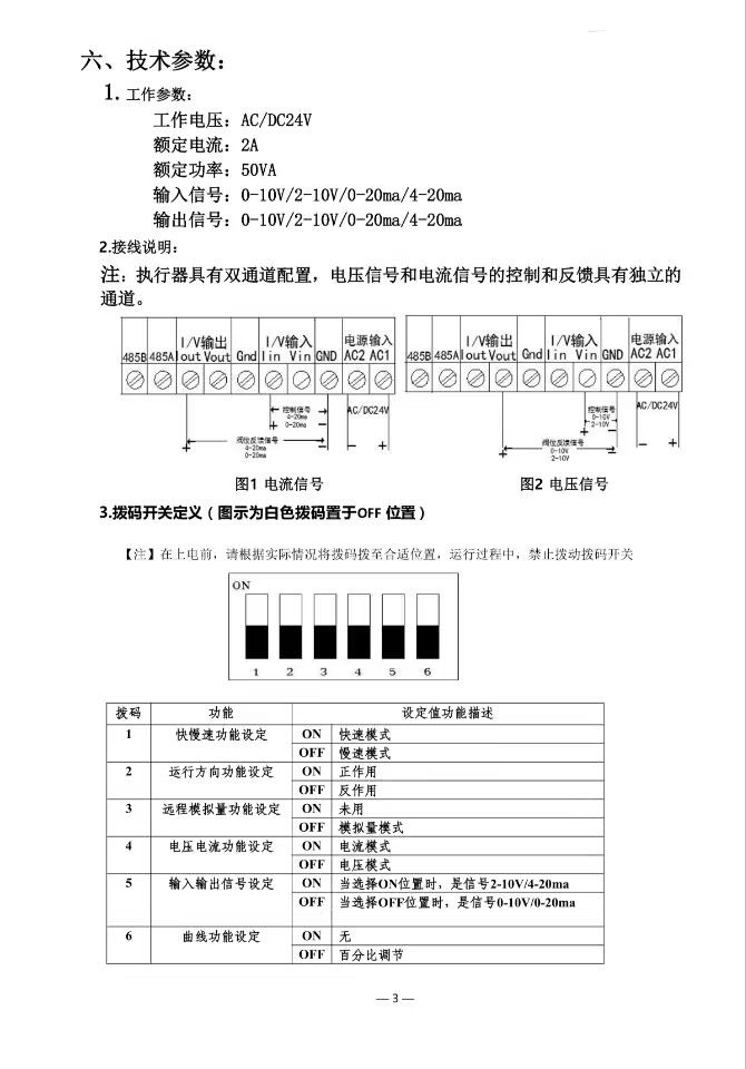
品牌:百通 型号:SEA506-2 加工定制:是 材质:碳钢 连接形式:法兰 公称通径:80 mm 适用介质:水;蒸汽;油品 压力环境:高压 工作温度:高温 流动方向:单向 驱动方式:电子 零部件及配件:执行器 形态:柱塞式 类型:二通式 标准:国标 密封形式:硬密封式 SEA506 -2 ,SEA1006-2系列直行程智能型电动执行器应用于区域供热供冷系统和暖通空调系统中的电动调节阀。通过模拟量控制或三点控制输出的电子控制器进行控制。
产品特点:
1.同时具备机械手动操作功能与电手动操作功能
2.运行速度可高低档选择
3.运行方向可正反向选择
4.较大行程限制
5.快速调整具有行程自动检测功能,可以自动检测每个阀门的行程进行快速调整.
6.明确的外部阀位指示
7.可选择调节特性曲线
8.控制信号可选择电压信号或电流信号
9.采用无刷电机,反应迅速、运行平稳
10.地沟、地井等特殊环境可加配防水外壳,具有防水功能(选配)
11.具有断电复位功能(选配,复位方向可选择)




-
-
产品搜索
-
供应产品
-
百通VFC61霍尼韦尔ML8824连接不锈钢调节阀丝扣连接 -
百通VFC61.40霍尼韦尔ML88241820连接不锈钢调节阀 304 螺纹连接 -
VVC63.125电动两通三通不锈钢温控阀 304调节阀 西门子SKC62 -
电动两通不锈钢座阀 304调节阀 可搭配西门子 SKD62 SKC62 SKB62 -
Honeywell霍尼韦尔原装电动蝶阀V8BFW16 -
VVQT45.100 VVQT43.100 调节阀可配套SKD60 SKB60 -
西门子电动两通 调节阀VVF42.32-16C 座阀 -
西门子VFF41.300蝶阀 siemens双法兰电动开关阀 -
西门子电动阀 VVF42.65 两通水阀 比例积分调节阀 -
SKD82.50西门子开关量执行器 AC24V -
西门子SKB62 SKB60 电动液压执行器 AC24V 弹簧复位功能 -
304不锈钢电动调节阀 +SEA504驱动器 AC/DC24 5000NDN15-200 -
霍尼韦尔电动阀门执行器系列 行程20mmML8824A10620 -
西门子原装水阀 两通调节阀VVF42.50 -
西门子电动阀 VVF42.50 VVF42.65 VVF42.80 VVF42.100VVF42,VXF42 -
VVC61.40不锈钢304两通调节阀 配套西门子执行器SKD60DN15-200 -
百通VXQT42.50电动调节阀 电动二通 三通水阀 VVQT42.50 -
VVQT42.80,VXQT42.8-电动调节阀 电动二通 三通水阀 西门子电动阀 -
SEA1006-2 AC/DC24V AC220V 电动调节阀 电动温控阀 -
HC3000国产电动执行器 阀门驱动器 AC24V 0-10V/4-20mA
-
扫一扫,手机浏览













